Sistem Pendingin Terbuka Dan Tertutup

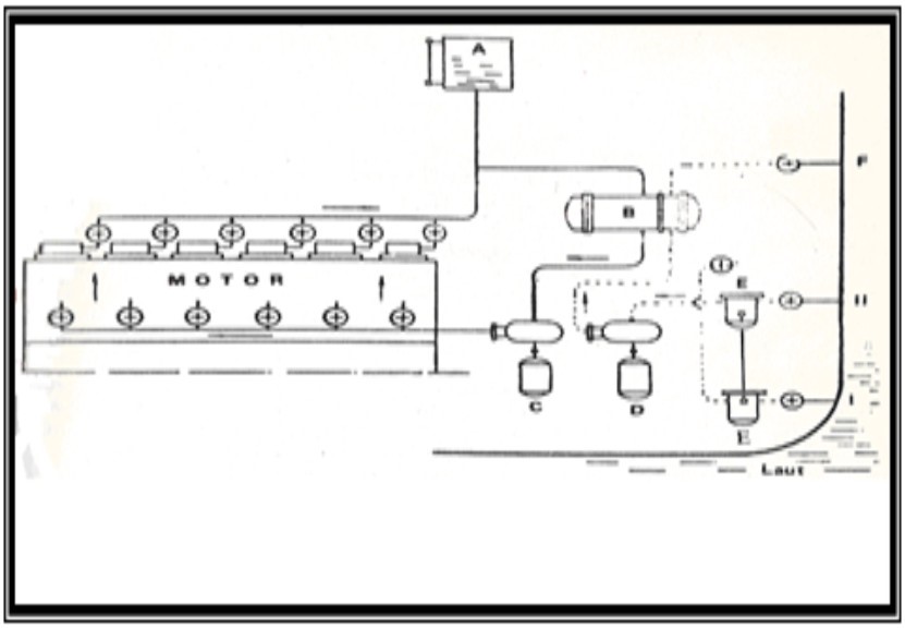
Pendingin Mesin Induk Kapal

Pendingin Mesin Induk Kapal

Pendingin Mesin Induk Kapal

Apa itu Pendingin Mesin Induk Kapal?

Pendingin mesin induk kapal adalah bagian yang sangat penting dalam sistem pendingin pada kapal. Fungsi utama pendingin mesin induk kapal adalah untuk mengatur suhu mesin agar tetap dalam batas yang aman saat beroperasi. Dengan menjaga suhu mesin tetap stabil, performa mesin akan meningkat dan umur pakai mesin akan lebih panjang.

Kelebihan Pendingin Mesin Induk Kapal

1. Menghindari Overheating Mesin

Salah satu kelebihan dari menggunakan pendingin mesin induk kapal adalah mampu menghindari overheating atau mesin yang terlalu panas. Overheating dapat menyebabkan kerusakan pada mesin dan mempengaruhi kinerja mesin secara keseluruhan. Dengan adanya pendingin mesin induk kapal, suhu mesin dapat dijaga agar tetap stabil dan mencegah terjadinya overheating.

2. Meningkatkan Performa Mesin

Meningkatkan Performa Mesin

Meningkatkan Performa Mesin

Apa itu Meningkatkan Performa Mesin?

Meningkatkan performa mesin adalah salah satu manfaat dari penggunaan pendingin mesin induk kapal. Dengan menjaga suhu mesin dalam batas yang aman, performa mesin akan meningkat. Hal ini dapat membuat mesin bekerja dengan lebih efisien dan optimal.

Kelebihan Meningkatkan Performa Mesin

1. Mengurangi Risiko Kerusakan Mesin

Salah satu kelebihan dari meningkatkan performa mesin adalah dapat mengurangi risiko kerusakan pada mesin. Dengan menjaga suhu mesin dalam batas yang aman, risiko terjadinya overheating atau kerusakan lainnya dapat diminimalisir. Hal ini akan membuat mesin dapat beroperasi dengan baik dan meminimalisir pengeluaran untuk perbaikan mesin.

2. Menambah Umur Pakai Mesin

Menambah Umur Pakai Mesin

Menambah Umur Pakai Mesin

Apa itu Menambah Umur Pakai Mesin?

Menambah umur pakai mesin adalah manfaat lain dari penggunaan pendingin mesin induk kapal. Dengan menjaga suhu mesin tetap stabil dan mencegah terjadinya overheating, umur pakai mesin dapat diperpanjang. Hal ini akan menghemat pengeluaran untuk penggantian mesin yang baru dalam jangka waktu yang lebih singkat.

Kelebihan Menambah Umur Pakai Mesin

1. Mengurangi Biaya Perbaikan

Salah satu kelebihan dari menambah umur pakai mesin adalah dapat mengurangi biaya perbaikan mesin. Dengan menjaga suhu mesin dalam batas yang aman, risiko kerusakan mesin dapat diminimalisir. Hal ini akan mengurangi kebutuhan untuk melakukan perbaikan pada mesin dan menghemat biaya perbaikan.

2. Efisiensi Penggunaan Mesin

Efisiensi Penggunaan Mesin

Efisiensi Penggunaan Mesin

Apa itu Efisiensi Penggunaan Mesin?

Efisiensi penggunaan mesin adalah salah satu keuntungan dari penggunaan pendingin mesin induk kapal. Dengan menjaga suhu mesin tetap stabil, mesin dapat bekerja dengan lebih efisien. Hal ini akan menghemat konsumsi bahan bakar dan mengurangi emisi gas buang mesin.

Kelebihan Efisiensi Penggunaan Mesin

1. Hemat Konsumsi Bahan Bakar

Salah satu kelebihan dari efisiensi penggunaan mesin adalah dapat menghemat konsumsi bahan bakar. Dengan menjaga suhu mesin tetap stabil, mesin dapat bekerja dengan lebih efisien dan menghasilkan tenaga yang lebih besar dengan jumlah bahan bakar yang lebih sedikit. Hal ini akan mengurangi biaya operasional kapal terkait dengan konsumsi bahan bakar.

2. Mengurangi Emisi Gas Buang

Salah satu keuntungan dari efisiensi penggunaan mesin adalah dapat mengurangi emisi gas buang. Dengan menjaga suhu mesin tetap stabil, mesin dapat bekerja dengan lebih baik dan menghasilkan emisi gas buang yang lebih rendah. Hal ini akan membantu mengurangi dampak negatif terhadap lingkungan dan menjaga keberlanjutan ekosistem laut.

Cara Menggunakan Pendingin Mesin Induk Kapal

1. Pastikan Sistem Pendingin dalam Keadaan Baik

Sebelum menggunakan pendingin mesin induk kapal, pastikan bahwa sistem pendingin dalam keadaan baik. Periksa segala komponen yang terkait dengan sistem pendingin, seperti radiator, pompa air, dan kipas pendingin. Pastikan tidak ada kebocoran pada sistem pendingin yang dapat mengganggu kinerja pendingin mesin induk kapal.

2. Periksa Kondisi Air Pendingin

Periksa kondisi air pendingin dan pastikan bahwa air pendingin memiliki kadar yang cukup. Jika kadar air pendingin terlalu rendah, tambahkan air pendingin hingga mencapai kadar yang disarankan. Jika kadar air pendingin terlalu tinggi, kurangi jumlah air pendingin hingga mencapai kadar yang disarankan.

3. Pastikan Pendingin Tidak Terhalang

Pastikan bahwa pendingin mesin induk kapal tidak terhalang oleh benda-benda atau kotoran yang dapat menghambat aliran udara atau air pendingin. Bersihkan radiator dan kipas pendingin secara teratur untuk menjaga kinerja pendingin mesin induk kapal.

Spesifikasi Pendingin Mesin Induk Kapal

Merk: Tersedia berbagai merk pendingin mesin induk kapal, antara lain XYZ, ABC, dan DEF.

Harga: Harga pendingin mesin induk kapal dapat beragam tergantung pada merk, tipe, dan kualitas. Harga berkisar antara Rp 10.000.000 hingga Rp 50.000.000.

Kelebihan:

  • Menghindari overheating mesin
  • Meningkatkan performa mesin
  • Menambah umur pakai mesin
  • Efisiensi penggunaan mesin

Kekurangan:

  • Memerlukan pemeliharaan yang teratur
  • Biaya pembelian dan pemasangan yang relatif tinggi
  • Tidak dapat digunakan pada semua jenis kapal